Фрезы KSSM для прорезания пазов — IC 12 — тип B, насадные фрезы (двухсторонние фрезы — правое исполнение — 21 мм); Метрическая система. Тип B, насадные фрезы; Пластины IC 12 мм. Фрезы KSSM для прорезания пазов • IC 12
Особенности:
- Быстрая регулировка и настройка с помощью уникального кулачкового регулировочного механизма.
- Большой выбор геометрий и сплавов для обработки большинства материалов.
- Четыре режущие кромки на пластине.
- Широкий выбор радиусов пластин.
- Зачистные пластины Wiper обеспечивают превосходное качество обработанной поверхности.
Применение:
- Side Milling/Shoulder Milling: Square End
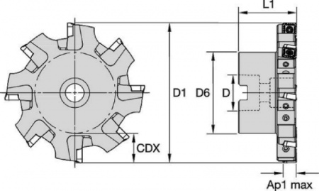
| SAP Material Number | ISO Catalog Number | [D1] Effective Cutting Diameter | Max RPM | Number of Inserts | Weight Kilograms | [CDX] Radial Maximum Depth of Cut | [L1] Gage Length | [D] Adapter / Shank / Bore Diameter | [D6] Hub Diameter | [AP1MAX] 1st Maximum Cutting Depth | Number of Effective Cutting Edges on Face | [V] Adjustment Range |
|---|
| 2443453 | 125Y08RK90SD12N20K | 125.0000 | 10350 | 8 | 1.70 | 31.9120 | 51.0400 | 32.0 | 58.0000 | 11.7090 | 8 | 1.3200 |
Выбор пластины:
| Material Group | Light Machining | General Purpose | Heavy Machining |
| – | (Light geometry) | – | (Strong geometry) |
| – | wear resistance |  | toughness |
| – | Geometry | Grade | Geometry | Grade | Geometry | Grade |
| P1–P2 | .E..LD2 | KCPM40 | .E..GB2 | KCPM40 | .S..GB2 | KCPM40 |
| P3–P4 | .E..LD2 | KCPM40 | .E..GB2 | KCPK30 | .S..GB2 | KCPK30 |
| P5–P6 | .E..LD2 | KC725M | .E..GB2 | KC725M | .S..GB2 | KC725M |
| M1–M2 | .E..LD2 | KCSM40 | .E..GB2 | KCSM40 | .S..GB2 | KCSM40 |
| M3 | .E..LD2 | KCPM40 | .E..GB2 | KCPM40 | .S..GB2 | KCPM40 |
| K1–K2 | .E..LD2 | KC520M | .E..GB2 | KCK15 | .S..GB2 | KCK15 |
| K3 | .E..LD2 | KC520M | .E..GB2 | KC520M | .S..GB2 | KC520M |
| N1–N2 | .F..LE | KC410M | .F..LE | KC410M | .F..LE | KC410M |
| N3 | .F..LE | KC410M | .F..LE | KC410M | .F..LE | KC410M |
| S1–S2 | .E..LD2 | KC725M | .E..GB2 | KC725M | .S..GB2 | KC725M |
| S3 | .E..LD2 | KCSM40 | .E..GB2 | KCSM40 | .S..GB2 | KCSM40 |
| S4 | .E..LD2 | KCSM40 | .E..GB2 | KCSM40 | .S..GB2 | KCSM40 |
| H1 | – | – | – | – | – | – |
Подача:
Рекомендуемые начальные подачи [мм/зуб]
| Insert Geometry | Recommended Starting Feed per Tooth (Fz) in Relation to % of Radial Engagement (ae) | Insert Geometry |
| 5% | 10% | 20% | 30% | 40–100% | |
| .F..LE | 0,12 | 0,42 | 0,74 | 0,08 | 0,30 | 0,54 | 0,06 | 0,23 | 0,40 | 0,06 | 0,20 | 0,35 | 0,05 | 0,18 | 0,32 | .F..LE |
| .E..LD | 0,17 | 0,47 | 0,82 | 0,12 | 0,34 | 0,59 | 0,09 | 0,26 | 0,44 | 0,08 | 0,22 | 0,38 | 0,07 | 0,20 | 0,35 | .E..LD |
| .E..LD2 | 0,12 | 0,46 | 0,81 | 0,09 | 0,33 | 0,58 | 0,07 | 0,25 | 0,43 | 0,06 | 0,22 | 0,38 | 0,05 | 0,20 | 0,35 | .E..LD2 |
| .E..GB | 0,23 | 0,53 | 0,89 | 0,17 | 0,38 | 0,64 | 0,13 | 0,29 | 0,48 | 0,11 | 0,25 | 0,41 | 0,10 | 0,23 | 0,38 | .E..GB |
| .E..GB2 | 0,23 | 0,53 | 0,89 | 0,17 | 0,38 | 0,64 | 0,13 | 0,29 | 0,48 | 0,11 | 0,25 | 0,41 | 0,10 | 0,23 | 0,38 | .E..GB2 |
| .S..GB | 0,23 | 0,59 | 0,95 | 0,17 | 0,43 | 0,68 | 0,13 | 0,32 | 0,51 | 0,11 | 0,28 | 0,44 | 0,10 | 0,25 | 0,41 | .S..GB |
| .S..GB2 | 0,23 | 0,59 | 0,95 | 0,17 | 0,43 | 0,68 | 0,13 | 0,32 | 0,51 | 0,11 | 0,28 | 0,44 | 0,10 | 0,25 | 0,41 | .S..GB2 |
| .S..GN | 0,23 | 0,59 | 0,95 | 0,17 | 0,43 | 0,68 | 0,13 | 0,32 | 0,51 | 0,11 | 0,28 | 0,44 | 0,10 | 0,25 | 0,41 | .S..GN |
| Light Machining | General Purpose | Heavy Machining |
Скорость:
Рекомендуемые начальные скорости резания [м/мин]
| Material Group | KC410M | KC520M | KC522M | KC725M | KCK15 | KCPK30 | KCPM20 |
| P | 1 | – | – | – | – | – | – | 330 | 285 | 270 | 260 | 230 | 215 | – | – | – | 455 | 395 | 370 | 550 | 485 | 450 |
| 2 | – | – | – | – | – | – | 275 | 240 | 200 | 220 | 190 | 160 | – | – | – | 280 | 255 | 230 | 340 | 310 | 275 |
| 3 | – | – | – | – | – | – | 255 | 215 | 175 | 200 | 170 | 140 | – | – | – | 255 | 230 | 205 | 310 | 275 | 255 |
| 4 | – | – | – | – | – | – | 225 | 185 | 150 | 180 | 150 | 120 | – | – | – | 190 | 175 | 160 | 230 | 215 | 190 |
| 5 | – | – | – | – | – | – | 185 | 170 | 150 | 150 | 135 | 120 | – | – | – | 260 | 230 | 210 | 275 | 250 | 230 |
| 6 | – | – | – | – | – | – | 165 | 125 | 100 | 130 | 100 | 80 | – | – | – | 160 | 135 | – | 190 | 170 | 145 |
| M | 1 | – | – | – | – | – | – | 205 | 180 | 165 | 170 | 150 | 135 | – | – | – | 205 | 185 | 155 | 225 | 200 | 175 |
| 2 | – | – | – | – | – | – | 185 | 160 | 130 | 155 | 130 | 110 | – | – | – | 185 | 160 | 140 | 205 | 175 | 160 |
| 3 | – | – | – | – | – | – | 140 | 120 | 95 | 115 | 100 | 80 | – | – | – | 145 | 130 | 115 | 160 | 145 | 125 |
| K | 1 | – | – | – | 270 | 245 | 215 | 230 | 205 | 185 | – | – | – | 420 | 385 | 340 | 295 | 265 | 240 | 360 | 325 | 295 |
| 2 | – | – | – | 210 | 190 | 175 | 180 | 160 | 150 | – | – | – | 335 | 295 | 275 | 235 | 210 | 190 | 285 | 255 | 235 |
| 3 | – | – | – | 175 | 160 | 145 | 150 | 135 | 120 | – | – | – | 280 | 250 | 230 | 195 | 175 | 160 | 240 | 215 | 200 |
| N | 1–2 | 1215 | 1080 | 995 | – | – | – | – | – | – | – | – | – | – | – | – | – | – | – | – | – | – |
| 3 | 1080 | 995 | 915 | – | – | – | – | – | – | – | – | – | – | – | – | – | – | – | – | – | – |
| S | 1 | – | – | – | – | – | – | 40 | 35 | 25 | 35 | 30 | 25 | – | – | – | – | – | – | – | – | – |
| 2 | – | – | – | – | – | – | 40 | 35 | 25 | 35 | 30 | 25 | – | – | – | – | – | – | – | – | – |
| 3 | – | – | – | – | – | – | 50 | 40 | 25 | 45 | 35 | 25 | – | – | – | – | – | – | – | – | – |
| 4 | – | – | – | – | – | – | 70 | 50 | 35 | 60 | 45 | 30 | – | – | – | – | – | – | – | – | – |
| H | 1 | – | – | – | – | – | – | – | – | – | – | – | – | – | – | – | – | – | – | – | – | – |